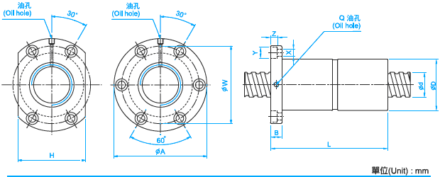
SFV1605滾珠絲桿參數
型號:SFV1605
絲桿外徑:16
導程:5
珠徑:3.175
螺母外徑:40
法蘭直徑:63
法蘭的厚度:11
螺母的長度:58
安裝孔之間的距離:51
法蘭的寬度:42
珠圈數:4.8×1
動額定負荷:1641
靜額定負荷:3662
剛性:40。
圖紙下載:SFV1605滾珠絲桿圖紙PDF
【注意對SFV1605滾珠絲杠副的防護】
滾珠絲杠副應避免灰塵或切屑、污物等進入。如果滾珠絲杠副在機床上外露,應采用防護罩封閉,如采用螺旋彈簧鋼帶套管、伸縮套管或折疊式套管等。安裝時將防護罩的一端連接在滾珠螺母的端面,另一端固定在滾珠絲杠的支承座上。如果滾珠絲杠處于隱蔽的位置,則可采用密封圈防護,將密封圈裝在螺母的兩端。接觸式密封圈防塵效果好,但因有接觸壓力,使摩擦力矩略有增加。非接觸密封可避免摩擦力矩,但防塵效果稍差。工作時要避免碰擊防護裝置,防護裝置有損壞要及時更換。
瀏覽SFV1605滾珠絲桿的用戶還會?
SFS1605滾珠絲杠、DFV1605滾珠絲杠等
SFS1605滾珠絲桿參數
型號:SFS1605
絲桿外徑:15
導程:5
珠徑:2.778
螺母外徑:28
法蘭直徑:48
法蘭的厚度:10
螺母的長度:38
安裝孔之間的距離:38
法蘭的寬度:40
珠圈數:2.8×1
動額定負荷:1112
靜額定負荷:2507
剛性:30。
圖紙下載:SFS1605滾珠絲杠PDF
【SFS1605滾珠絲杠副維護內容】
①定期檢查、調整絲杠螺母副的軸向間隙,保證反向傳動精度和軸向剛度。
②定期檢查絲杠支承與床身的連接是否松動,支承軸承是否損壞,如有問題及時緊固和更換。

③采用潤滑脂的滾珠絲杠,每半年清洗一次絲杠上的舊油脂,更換新油脂。用潤滑油潤滑的滾珠絲杠每天加油一次。
④避免硬質灰塵和切屑進入絲杠防護罩,防護罩一旦損壞要及時更換。
瀏覽SFS1605滾珠絲桿的用戶還會?
DFS1605滾珠絲杠、SFI1605滾珠絲杠等。
SFI1605滾珠絲杠參數
型號:SFI1605
絲桿外徑:16
導程:5
珠徑:3.175
螺母外徑:30
法蘭直徑:49
法蘭的厚度:10
螺母的長度:50
安裝孔之間的距離:39
法蘭的寬度:34
珠圈數:1×4
動額定負荷:1380
靜額定負荷:3052
剛性:33。
圖紙下載:SFI1605滾珠絲桿圖紙PDF
【減少SFI1605滾珠絲桿各運動零件的慣量】
進給系統每個零件的慣量對進給系統的啟動、制動特性等都有直接的影響,尤其是高速運轉的零件,慣量對其影響更大。在滿足傳動強度和剛度的前提下,應盡可能使各零件的結構配置合理,減少它們的慣量。
瀏覽SFI1605滾珠絲桿的用戶還會?
DFI1605滾珠絲杠、SCI1605滾珠絲桿等。
DFU1605滾珠絲杠參數
型號:DFU1605
絲桿外徑:16
導程:5
珠徑:3.175
螺母外徑:28
法蘭直徑:48
法蘭的厚度:10
螺母的長度:100
安裝孔之間的距離:38
法蘭的寬度:40
珠圈數:1×4
動額定負荷:1380
靜額定負荷:3052
剛性:44。
圖紙下載:DFU1605滾珠絲桿圖PDF
【車床絲杠加工】
絲杠是機床中重要的傳動元件,其精度影響到機床的運動精度和加工精度。絲杠屬軸類零件,其主要加工表面為外圓和螺紋加工,螺紋粗加工可用高效率的旋風銑削,精加工采用高精度絲杠車床在恒溫室中加工,選用易切鋼改善切削性能.同時采用校直工序,以減少變形,保證精度。
瀏覽DFU1605滾珠絲桿的用戶還會?
SCI1605滾珠絲桿、BSH1605滾珠絲桿等。
DFS1605滾珠絲桿參數
型號:DFS1605
絲桿外徑:15
導程:5
珠徑:2.778
螺母外徑:28
法蘭直徑:48
法蘭的厚度:10
螺母的長度:73
安裝孔之間的距離:38
法蘭的寬度:40
珠圈數:3.8×1
動額定負荷:1112
靜額定負荷:2507
剛性:41。
圖紙下載:DFS1605滾珠絲杠圖紙PDF
【DFS1605滾珠絲杠滾珠螺桿防塵保護方法】
滾珠螺桿與滾動軸承一樣當有混入物時或有水分時,磨損會增加,有時會導致破損。例如工作機械由于作業環境,可能混入切削或切削油,因此當有外部混入異物時,應以折布(蛇腹型)或套筒伸縮管等,完全罩住螺桿軸。

瀏覽DFS1605滾珠絲杠的用戶還會?
BSH1605滾珠絲桿、DFV1605滾珠絲桿等。
DFI1605滾珠絲杠參數
型號:DFI1605
絲桿外徑:16
導程:5
珠徑:3.175
螺母外徑:30
法蘭直徑:49
法蘭的厚度:10
螺母的長度:100
安裝孔之間的距離:39
法蘭的寬度:34
珠圈數:1×4
動額定負荷:1380
靜額定負荷:3052
剛性:44
圖紙下載:DFI1605滾珠絲桿圖紙PDF
【什么是機床滾珠絲杠副】
機床用高速滾珠絲杠提高了絲杠循環部位的強度,可達到20米每分鐘的高速,被廣泛用于高速加工機床。一般用于加工中心cnc上, 3軸聯動的機床一般有3根絲杠:x y z 軸絲杠,同理5軸聯動的cnc一般大于等于5根絲杠, 所組建的稱呼為滾珠絲杠。
【什么是帶彈簧的梯形絲杠】
帶彈簧的梯形絲杠產品采用彈簧預壓,由于在兩個螺母之間加上了彈簧作為預壓墊片,可在隨著不斷磨損中自動調整預緊力,長期保證加工精度,和背隙由于采用合成樹脂作為螺母,有效的改善環境和潤滑問題。

瀏覽DFI1605滾珠絲桿的用戶還會?
DFI1604滾珠絲杠、DFV1605滾珠絲桿等。
DFV1605滾珠絲杠參數
型號:DFV1605
絲桿外徑:16
導程:5
珠徑:3.175
螺母外徑:40
法蘭直徑:63
法蘭的厚度:11
螺母的長度:113
法蘭的寬度:42
珠圈數:4.8×1
動額定負荷:1614
靜額定負荷:3662
剛性:53。
圖紙下載:DFV1605滾珠絲桿圖紙PDF
精密磨制滾珠絲杠副制作過程
任何一條精密磨制滾珠絲杠副均嚴格按照以下基本工藝路線加工檢驗:審圖→根據客戶圖紙編制工藝文件→絲杠毛坯下料→熱處理并檢驗校直→加工端面,鉆中心孔→粗車→高溫時效并檢驗→加工端面并修中心孔→半精車→銑→粗磨→淬火并檢驗→研中心孔→ 粗磨→探傷→時效處理并檢驗→研中心孔→半精磨→低溫時效處理并檢驗→銑鍵槽→磨端部螺紋→研中心孔→精磨并全面檢驗→裝配→跑合→檢驗→防銹包裝→檢驗→入庫發運。一般而言,一條磨制滾珠絲杠副的工藝周期約為30-45天。

設計注意事項:
一般建議滾珠絲杠副的長徑比(即:絲杠總長/直徑)小于80. 長徑比在80 以上時,廠家一般不對滾珠絲杠副的精度,實際使用中的剛度,以及計算壽命提供保證,而且此時滾珠絲杠副的臨界轉速會迅速減小除非特別必要,在滾珠絲杠副全長上盡可能不要設計大于絲杠螺紋外徑的定位或非定位臺階。因為有這樣的臺階時,滾珠絲杠副毛坯直徑會比正常情況增加較多,從而增加加工量以及加工難度系數。
瀏覽DFV1605滾珠絲桿的用戶還會?
DFV1604滾珠絲杠、SFU4010滾珠絲杠等。
SFU1605滾珠絲杠參數
型號:SFU1605
絲桿外徑:16
導程:5
珠徑:3.175
螺母外徑:28
法蘭的厚度:10
螺母的長度:50
法蘭的寬度:40
珠圈數:1×4
動額定負荷:1380
靜額定負荷:3052
剛性:32。
圖紙下載:SFU1605滾珠絲杠圖紙PDF
SFU1605滾珠絲杠速度
目前允許的最大速度為3000 rpm(瞬間速度最高可達4500 rpm)。此速度限值表示只能在最佳操作條件下達到的最大速度。

SFU1605滾珠絲杠安裝位置
可以自由選擇絲杠的安裝位置。唯一需要考慮的因素就是所有產生的徑向力都必須被外部導軌所吸收。
精度
軋制滾珠絲杠軸公差等級為P3、P5、T5和T7。磨制/旋銑的PIM循環滾珠絲杠的最高公差等級為P0。

自鎖定
因為循環滾珠絲杠的滾動摩擦較低,所以循環滾珠絲杠不會自動鎖定。因此,必須安裝帶有固定制動裝置的合適電機,尤其是在垂直安裝滾珠絲杠的情況下。
SFU1605滾珠絲杠溫度
所有滾珠絲杠的設計環境溫度都在-30℃到80℃之間。間歇式操作允許不超過110℃的最高溫度。用于零度以下操作的滾珠絲杠必須進行特定的調配。

產品詳細信息:BSHR01605滾珠絲桿!
產品詳細信息:
產品品牌:TBI
型號:BSHR01605
導程:5
珠徑:3.175
鋼球循環圈數:3
剛性:25
動額定負荷:1077
靜額定負荷:2289
D:是螺母外徑:32.5
d:絲桿外徑:16
圖紙下載:BSHR01605滾珠絲桿圖紙 PDF
品牌介紹
【TBI滾珠絲桿簡介】
全球傳動科技股份有限公司(TBI MOTION) 成立TBI MOTION同時整合TBI的專業製造技術及COMTOP的行銷體系以展新的面貌引領市場。
TBI滾珠絲桿是以多年來所累績的制品技術甚而,從材料,熱我理、制造、檢查到出貨,者是以嚴謹的品保制度來加以管理,因此具有高信賴性。

【滾珠絲桿副的常見故障】
(1)過載問題
滾珠絲桿副進給傳動的潤滑狀態不良、軸向預加載荷太大、絲杠與導軌不平行、螺母軸線與導軌不平行、絲杠彎曲變形時,都會引起過載報警。一般會在CRT上顯示伺服電動機過載、過熱或過流的報警,或在電柜的進給驅動單元上,用指示燈或數碼管提示驅動單元過載、過流信息。

(2)竄動問題
竄動問題是滾珠絲杠副進給傳動的潤滑狀態不良、絲杠支承軸承的壓蓋壓合情況不好、滾珠絲杠副滾珠有破損、絲杠支承軸承可能破裂、軸向預加載荷太小,使進給傳動鏈的傳動間隙過大,引起絲杠傳動時的軸向竄動。

(3)爬行問題
爬行問題一般發生在啟動加速段或低速進給時,多因進給傳動鏈的潤滑狀態不良、外加負載過大等因素所致。尤其要注意的是,伺服電動機和滾珠絲杠連接用的聯軸器,如連接松動或滾珠絲桿聯軸器本身缺陷,如裂紋等,會造成滾珠絲杠轉動和伺服電動機的轉動不同步,從而使進給運動忽快忽慢,產生爬行現象。

【滾珠絲桿如何選型】
滾珠絲桿如何選型方法我列出三種供有需要的客戶參巧:
①軸向間隙的調整和預緊力的選擇
1墊片式 2螺紋式 3齒差式
選擇要求: 經濟可靠 易拆裝 剛度高
選擇方案:雙螺母墊片式預緊
選擇原因:結構簡單 可靠性好剛度高 拆裝方便。
②滾珠循環方式: 1內循環 2外循環
選擇方案:外循環
選擇原因:結構制造較易? 經濟實用。
③螺紋滾道型面的選擇: 1.單圓弧型面 2.雙圓弧型面
選擇要求:經濟易調試 穩定
選擇方案 2雙圓弧型面
選擇原因 接觸角不變雙圓弧交接處尚有小空隙可容納一些贓物這讀滾珠絲杠有利而不致堵塞。
雷研精密傳動設備有限公司大量供應 SCI1605滾珠絲桿【貨源充足,價格合理】服務熱線:15802034588
【臺灣TBI滾珠絲桿SCI1605參數價格】
產品品牌:TBI滾珠絲桿
型號:SCI1605
導程:5
珠徑:3.157
珠圈數:1*4
剛性:33
動額定負荷:1380
靜額定負荷:3052
螺桿外徑尺寸:20
【TBI滾珠絲桿簡介】
全球傳動科技股份有限公司(TBI MOTION) 成立TBI MOTION同時整合TBI的專業製造技術及COMTOP的行銷體系以展新的面貌引領市場。

◎滾珠絲桿精度公差:C10,C7,C5,C3,C2,C1—-數字越小,精度越高TBI公司是世界知名的大型絲杠制造商;其絲桿最大特點是滾軋絲桿技術領先;質優價廉,大量被使用于雕刻機、繞線機、木工機床、數控機床等設備上;TBI絲桿常規產品。

【滾珠絲桿的主要參數】
滾珠絲桿的主要參數有:中徑,底徑,導程,滾珠直徑,循環圈數,螺母安裝尺寸,動載荷,靜載荷,接觸剛性、絲桿外徑等。絲桿外徑,導程,這兩個參數決定了滾珠絲桿的負載(負荷及速度),它們是標準值,通過上面說的條件進行計算選擇。還有一個在選擇絲桿進行考慮的參數:滾珠列數(負載回路列圈數也決定負載能力)。其它的外形尺寸,滾珠絲桿螺母是依據絲桿、列數、循環方式、安裝形式來確定,桿端尺寸及形式主要取決于安裝形式。