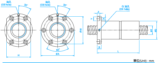
SFS3210滾珠絲杠參數
型號:SFS3210
絲桿外徑:31
導程:10
珠徑:3.969
螺母外徑:50
法蘭直徑:80
法蘭的厚度:13
螺母的長度:62
安裝孔之間的距離:65
法蘭的寬度:62
珠圈數3.8×1
動額定負荷:2460
靜額定負荷:7255
剛性:55。
【滾珠絲杠副在數控機床上的目的】
??? ①滾珠絲杠副的傳動效率高,使機床進給機構的起動轉矩和運動轉矩大大減小,以適應采用小容量的步進電動機。
??? ②滾珠絲杠副的進給精度高,可滿足數控機床移動部件的正確定位和均勻位移的要求。
??? ③滾珠絲杠副的工作壽命長,可使數控機床長期工作仍保持精度不變。
??? ④滾珠絲杠副經預緊后進給剛度高。
瀏覽SFS3210滾珠絲桿的用戶還會?
SFT3210滾珠絲桿、DFS3210滾珠絲桿等。
雷研精密傳動設備有限公司供應SFT3210滾珠絲桿【貨源充足、價格合理、原裝正品、品牌齊全】請需要SFT3210滾珠絲杠的朋友聯系:黃志杰(經理)? 聯系電話:15802034588。
SFT3210滾珠絲杠參數
型號:SFT3210
絲桿外徑:32
導程:10
珠徑:6.35
螺母外徑:74
法蘭直徑:108
法蘭的厚度:15
螺母的長度:96
安裝孔之間的距離:90
法蘭的寬度:82
珠圈數:2.5×2
動額定負荷:5821
靜額定負荷:15259
剛性:79。

【SFT3210滾珠絲杠副的潤滑】
??? 潤滑劑可提高耐磨性及傳動效率。潤滑劑可分為潤滑油和潤滑脂兩大類。潤滑油一般為全損耗系統用油;潤滑脂可采用鋰基潤滑脂。潤滑脂一般加在螺紋滾道和安裝螺母的殼體空間內,而潤滑油則經過殼體上的油孔注入螺母的空間內。應每半年對滾珠絲杠上的潤滑脂更換一次,清洗絲桿上的舊潤滑脂,涂上新的潤滑脂。用潤滑油潤滑的滾珠絲杠副,’可在每次機床工作前加油一次。
瀏覽SFT3210滾珠絲桿的用戶還會?
SFI3210滾珠絲桿、DFT3210滾珠絲杠等。
SFI3210滾珠絲杠參數
型號:SFI3210
絲桿外徑:32
導程10
珠徑:6.35
螺母外徑:54
法蘭直徑:88
法蘭的厚度:15
螺母的長度:90
安裝孔之間的距離:70
法蘭的寬度:62
珠圈數:1×4
動額定負荷:4805
靜額定負荷:12208
剛性:62。
【選擇滾珠絲杠副精度的原則是】
??? (1)要滿足主機定位精度的要求滾珠絲杠副的綜合行程誤差大約為主機定位誤差的(30-40)%。
??? (2)要合理選擇滾珠絲杠副的精度,盲目提高精度等級是不經濟的。相同尺寸規格的精度滾珠絲杠副,每提高一個精度等級,成本增加30%以上。而且由于制造周期相應加長,延長了交貨期。
瀏覽SFI3210滾珠絲桿的用戶還會?
DFU3210滾珠絲桿、SCI3210滾珠絲桿等。
DFU3210滾珠絲杠參數
型號:DFU3210
絲桿外徑32
導程:10
珠徑:6.35
螺母外徑:50
法蘭直徑:80
法蘭的厚度:12
螺母的長度:162
安裝孔之間的距離:65
法蘭的寬度:62
珠圈數:1×4
動額定負荷:4805
靜額定負荷:12208
剛性:82。
【支承軸承的定期檢查】
?應定期檢查絲杠支承與床身的連接是否有松動,支承軸承是否損壞以及絲杠與導軌間的平行度是否保持在允差范圍內。如有以上問題,要及時緊固松動部位,更換支承軸承或調整絲杠對導軌的平行度。
瀏覽DFU3210滾珠絲桿的用戶還會?
SCI3210滾珠絲杠、DFT3210滾珠絲杠等。
DFT3210滾珠絲桿參數
型號:DFT3210
絲桿外徑:32
導程:10
珠徑:6.35
螺母外徑:74
法蘭直徑:108
法蘭的厚度:16
螺母的長度:187
安裝孔之間的距離:90
法蘭的寬度:82
珠圈數:2.5×2
動額定負荷:5821
靜額定負荷:15259
剛性:105。
【滾珠絲杠機構的類型】
按制造方法區分
? 根據加工制造方法及精度的區別,目前市場上的滾珠絲杠機構主要有以下閑種類型:?磨制滾珠絲杠、軋制滾珠絲杠。
?? 磨制滾珠絲杠是用精密磨削方法加工出來的,精度更高.但制造成本較高,因而價格也更貴。另一種軋制滾珠絲杠(工程上也稱為轉造滾珠絲杠)是指用精密滾軋成形方法加工制造出來的,精度稍低,但制造成本較低,因而價格也更便宜。在滿足使用梢度的前提下應盡可能選用軋制滾珠絲杠,以降低機器制造成本。
瀏覽DFT3210滾珠絲杠的用戶還會?
DFI3210滾珠絲杠、DFS3210滾珠絲杠等。
SCI3210滾珠絲桿參數
型號:SCI3210
絲桿外徑:32
導程:10
珠徑:6.35
螺母外徑:54
螺母的長度:85
珠圈數:1×4
動額定負荷:4805
靜額定負荷:12208
剛性:62。
【絲杠的安裝方法】
? 安裝絲杠與螺母主要有兩種方法:軸轉,螺母不轉;或者軸不轉,螺母轉。后者經常用在長軸的極限臨界轉速低于想得到的最大轉速時,也用在拖板的長度大于行程時。旋轉的螺母通過軸承支撐和工作臺相聯,在齒輪、同步皮帶或者使用螺母的外徑作為電動機轉子軸的直接驅動電動機的帶動下旋轉,電動機使用螺母的外徑作為電動機轉子軸。一些制造商提供用于旋轉螺母的與滾珠軸承作成整體式的滾珠絲杠螺母。
瀏覽SCI3210滾珠絲桿的用戶還會?
DFI3210滾珠絲杠、DFS3210滾珠絲杠等
DFS3210滾珠絲桿參數
型號:DFS3210
絲桿外徑:31
導程:10
珠徑:3.969
螺母外徑:50
法蘭直徑:80
法蘭的厚度:13
螺母的長度:122
安裝孔之間的距離:65
法蘭的寬度:62
珠圈數3.8×1
動額定負荷:2460
靜額定負荷:7255
剛性:75。
滾珠螺桿都有怎樣的溝槽形狀?
有三種不同的溝槽形狀:第一種是類似珠襯套的點接觸,第二種是LM直線導軌的一段圓弧兩點接觸4列溝道,第三種是哥德式溝道。滾珠螺桿采用了哥德式的溝道結構。第一種點接觸的載荷較小。第二種一段圓弧的溝槽對絲杠來說軸向剛性不好。而哥德式溝槽有很好的軸向剛性和軸向承載能力。所以滾珠螺桿采用了哥德式的溝槽設計。
瀏覽DFS3210滾珠絲桿的用戶還會?
DFI3210滾珠絲桿、DFV3210滾珠絲杠?、SFU3210滾珠絲杠等。
DFI3210滾珠絲桿參數
型號:DFI3210
絲桿外徑:32
導程:10
珠徑:6.35
螺母外徑:54
法蘭直徑:88
法蘭的厚度:15
螺母的長度:162
安裝孔之間的距離:70
法蘭的寬度:62
珠圈數:1×4
動額定負荷:4805
靜額定負荷:12208
剛性:83。
【雙螺母滾珠絲杠副預緊力測試裝置】
一種雙螺母滾珠絲杠副預緊力測試裝置,它由測力傳感[1]及雙螺母滾珠絲杠副預緊力測量儀[2]組成,其特征在于測力傳感器[1]由壓電薄膜[3]、金屬箔電極[4]、絕緣保護膜[5]組成,金屬箔電極[4]分別設置于壓電薄膜[1]的兩側,在壓電薄膜[3]與金屬箔電極[4]外覆蓋有絕緣保護膜[5]。
瀏覽DFI3210滾珠絲桿的用戶還會?
SFU3210滾珠絲桿、DFV3210滾珠絲桿等。
DFV3210滾珠絲桿參數
型號:DFV3210
絲桿外徑:32
導程:10
珠徑:6.35
螺母外徑:74
法蘭直徑:108
法蘭的厚度:15
螺母的長度:186
安裝孔之間的距離:90
法蘭的寬度:82
珠圈數:4.8×1
動額定負荷:5620
靜額定負荷:14649
剛性:101。
DFV3210滾珠絲桿動作不順暢
螺桿加工的問題
(1)螺桿或螺帽珠槽表面粗糙。
(2)鋼珠、螺桿或螺帽真圓度超出公差范圍。
(3)螺桿或螺帽的導程誤差超出公差范圍。
(4)回流管組裝不當。
(5)鋼珠大小或硬度不均。
以上的問題不該在高品質的產品中發生。
瀏覽DFV3210滾珠絲桿的用戶還會?
DFV2004滾珠絲杠、DFV1610滾珠絲桿等。

SFU3210滾珠絲桿參數
型號:SFU3210
絲桿外徑:32
導程:10
珠徑:6.35
螺母外徑:50
法蘭直徑:80
法蘭的厚度:12
螺母的長度:90
法蘭的寬度:62
珠圈數:1×4
動額定負荷:4805
靜額定負荷:12208
剛性:61
SFU3210滾珠絲杠的基本結構與原理
?就滾珠絲杠來說,中國國家標準亦有訂定其標準與規格(註一),而在莊朝榮(註二,莊朝榮,1983)亦有對其進行 研究,滾珠絲杠是把鋼珠放入螺帽與絲杠間,將傳統絲杠之滑動接觸以滾動接觸取代,之后把螺帽內鋼珠的迴轉運動轉 變成直線運動的傳動機械組件,主要以螺帽、絲杠、固定座、鋼珠、刮刷器以及回流管所構成,具有高壽命、低污染、定位精準高和可做正逆向的傳動及變換傳動的特性,因有以上這些優點,近年來,滾珠絲杠已在精密科技產業和精密機械產業的定位及測量系統上占有一席之地。
瀏覽SFU3210滾珠絲桿的用戶還會?
SFU3208滾珠絲桿、SFU3206滾珠絲杠等。