當前位置: 滾珠絲桿網 ? 3204滾珠絲杠 ? SCI3204滾珠絲杠
SCI3204滾珠絲杠
雷研精密傳動設備有限公司供應SCI3204滾珠絲杠【貨源充足、價格合理、原裝正品、品牌齊全】請需要SSCI3204滾珠絲杠的朋友聯系:黃志杰(經理)? 聯系電話:15802034588。
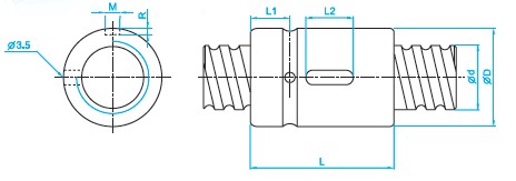
SCI3204滾珠絲桿參數
型號:SCI3204
絲桿外徑:32
導程:4
珠徑:2.381
螺母外徑:46
螺母的長度:40
珠圈數:1×4
動額定負荷:1296
靜額定負荷:4838
剛性:49。
【滾珠絲杠的精度】
? 影響定位精度的誤差因素主要有導程精度、軸向間隙、螺桿的軸向剛度等。其他重要因素還有因發熱引起的熱變形,因導向系統引起的運動姿態變化等。選擇滾珠絲杠時還應該考慮到的因素有:滾珠的圓度與尺寸一致性;預加載荷;循環路徑的入口與出口的設計;安裝精度;熱膨脹的機械補償等。
? 通常來說,制造球體比較容易,而且精度很高,問題主要存在 于螺紋以及其他的非球體因素。
瀏覽SCI3204滾珠絲桿的用戶還會?
DFI3204滾珠絲杠、DFV3204滾珠絲杠等。
滾珠絲杠討論①群263545937(專家在線為你解答)歡迎你的加入!
版權所有 © 轉載時必須以鏈接形式注明作者和原始出處!


