當前位置: 滾珠絲桿網 ? 2004滾珠絲桿 ? SFIR2004滾珠絲桿
SFIR2004滾珠絲桿
雷研精密傳動設備有限公司供應SFI2004滾珠絲桿【貨源充足、價格合理、原裝正品、品牌齊全】。請需要SFI2004滾珠絲桿的朋友聯系:黃志杰(經理)? 聯系電話:15802034588。
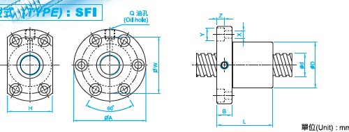
SFI2004滾珠絲杠參數
型號:SFI2004
絲桿外徑:20
導程:4
珠徑:2.381
螺母外徑:34
法蘭直徑:57
法蘭的厚度:11
螺母的長度:46
安裝孔之間的距離:45
法蘭的寬度:40
珠圈數:1×4
動額定負荷:1066
靜額定負荷:2987
剛性:37。
圖紙下載:SFI2004滾珠絲桿圖紙PDF
【SFIR2004滾珠絲桿穩定性好、壽命長】
穩定性是伺服進給系統能正常工作的最基本條件,特別是低速進給時不產生“爬行”,并能適應外加負載的變化而不產生共振。穩定性與系統的慣性、剛性、阻尼及增益等有關。進給系統的壽命,主要是指保持數控機床傳動精度和定位精度時間的長短,即各傳動部件保持其原制造精度的能力,所以,應合理選擇各傳動件材料、熱處理方式及加工工藝,并采用適宜的潤滑方式和防護措施,以延長壽命。
瀏覽SFI2004滾珠絲杠的用戶還會?
SCI2004滾珠絲杠、DFU2004滾珠絲桿等。
滾珠絲杠討論①群263545937(專家在線為你解答)歡迎你的加入!
版權所有 © 轉載時必須以鏈接形式注明作者和原始出處!


